外形及结构原理图
外形
1、车架 2、接地线 3、进气阀 4、进气滤芯外套 5、油雾器油杯 6、压力表 7、调压阀 8、进气软管 9、油杯 10、把手调节螺丝 11、推车把手 12、消音器 13、观察螺丝 14、上先导阀体 15、气缸 16、过滤器 17、放泄阀 18、回转喷嘴 19、喷枪保险 20、手喷枪 21、回转接头 22、高压软管 23、吸入软管 24、放泄软管 25、吸入管 26、放泄管
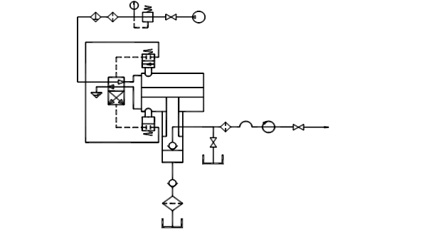
3.2 结构原理图

喷涂机的主要工作部位为双作用式气动液压增压泵,换向机构为特殊形式的先导式全气控配气换向装置。进入压缩空气后,活塞移动到气缸上或下端部时,使上或下先导阀动作,控制气流瞬间推动配气换向装置换向,从而使气动马达的活塞作稳定连续地往复运动。由于活塞与涂料液压泵中的柱塞刚性连接,并且,活塞的面积比柱塞的面积大,因而使吸入的涂料增压。被增压的涂料,经高压软管输送至无气喷枪,最后在无气喷嘴处释放液压、瞬时雾化后喷向被涂物表面,形成涂膜层。







